What are As-Built Drawings?
As-built drawings record these changes and show the structure as it was actually built as reference point for final dimensions, reinforcement layouts, utilities, and embedded services.
What are the Functions of As-Built Drawings?
- Verification: Ensuring the finished work matches specifications and providing a record for handover.
- Safety & Risk Management: Helping engineers and contractors avoid reinforcement strikes, clashes, or unexpected conditions when carrying out works.
- Maintenance & Operations: Guidance in locating utilities, drainage, and reinforcement without the need for destructive testing.
- Future Projects: Providing the essential foundation for refurbishment, expansion, or strengthening works.
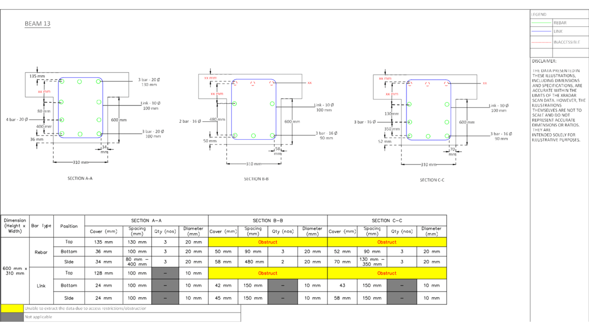
.png)
How to Update As-Built Drawings?
Conventional methods like coring or hacking to verify reinforcement and services are disruptive, time-consuming, and potentially damaging. This is where non-destructive testing (NDT) comes into the picture.
With our enhanced concrete scanning technology, as-builts can be validated or updated without disturbing the structure with information such as:
.png)
- Map out the spacing, size, and orientation of reinforcement bars
- Locating utilities and embedded services such as conduits, cables, post-tension cables
- Measure slab and wall thickness to confirm construction details
Traditional as-builts depend heavily on on-site notes, which may miss hidden elements inside the structure. We can provide accurate, non-destructive insight into reinforcement layouts, conduits, and voids.
By integrating high-resolution subsurface data into as-built documentation, we help clients achieve a clearer, more reliable picture of their structures to reduce risks, speeds up planning, and ensures confidence in every future decision.